您當前位置:產品中心 >> 止回閥 >> 鑄鋼旋啟式止回閥
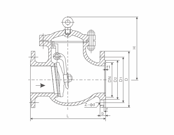
鑄鋼旋啟式止回閥
技術參數

產品型號:H44H

公稱通徑:DN15~600mm

公稱壓力:PN1.0~2.5MPa

工作溫度:0°C~425°C

適用介質:水、蒸汽、油品等